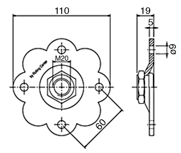
PR20F~~REGELBARE SIERPLAAT
OverzichtPR20F~~REGELBARE SIERPLAAT
De scharnieren van Grande Forge zijn, net als hun decoratieve elementen, specifiek ontworpen voor naadloze integratie in professionele metaalconstructies.
Het voornaamste voordeel is dat ze zijn gemaakt van onbehandeld, blank staal van constructiekwaliteit, zoals S235JR. Dit betekent dat u de scharnieren direct kunt positioneren en lassen zonder eerst een zink- of verflaag te hoeven wegslijpen.
Verwerkingsvoordelen:
- Optimale Lasbaarheid: Het materiaal heeft een laag koolstofgehalte, wat het risico op scheurvorming in de warmte-beĆÆnvloede zone (HAZ) minimaliseert. Dit garandeert een sterke, duurzame lasverbinding met standaard MIG/MAG- of elektrode lasprocessen.
- Hechting van Coatings: Het ruwe, onbehandelde oppervlak is de ideale basis voor diverse nabehandelingen. Na het lassen kunt u het gehele object in ƩƩn keer laten thermisch verzinken of poedercoaten. De afwezigheid van een fabriekscoating zorgt voor een superieure mechanische hechting.
- Corrosiepreventie: Hoewel het onbehandeld staal van nature gevoelig is voor roest, biedt het de vrijheid om na montage de meest geschikte en duurzame corrosiewerende behandeling te kiezen die past bij de uiteindelijke toepassing (binnen of buiten).




