Quiko NEO,EON, Rotello gemonteerd op penanten. extra lange beugels. Art. 0303nr (QU)
OverzichtAls uw poort tussen penanten of muren hangt:
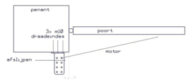
deze beugels gebruiken om de ideale driehoek te verkrijgen tussen het draaipunt van de poort, positie op de penant en de vleugel.
De beugels monteren met m10 draadeindes en in de muur, 12mm boren en draadeindes met soudal chemisch anker bevestigen.
de beugels afslijpen tot de juiste maat.
zie de tekening. beugel 30 mm van de rand plaatsen, om uitbreken van de stenen te voorkomen.





