Kijzer elektrisch poortslot 24v dc Kijzer ESGL20 gegalvaniseerd en zwart gelakt en vorstvast. op elke poort toepasbaar. Kan ook als grond-slot gebruikt worden, met aansluitkabel.Art.0873 (QU)
Overzicht24v dc electroslot, tijdens sluiten van de poort is het slot spanningsvrij en valt over de pen, tijdens openen staat er spanning op het slot en de pen wordt ontgrendeld. Met slot om manueel te openen.
Zeer degelijk slot, ook te gebruiken als midden-aanslag, en onmogelijk te openen. natuurlijk wel als u de sleutels heeft.
Dit slot voorkomt dat een ongewenst gast uw poort kan "optillen" en zo dus bij een penslot de poort kan openen.
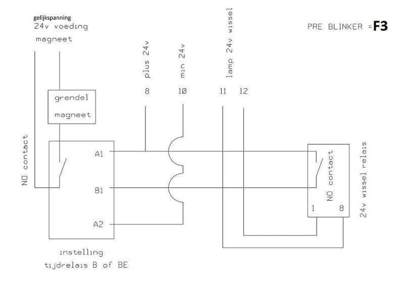
Aansluiten: Onze monteurs sluiten dit slot dmv 2 relais aan op het contact voor de zwaailamp.
u dient op uw poortopener printplaat de instelling voor PRE-blinken aan te zetten.
Het tijdrelais wordt op de lamp aangesloten.
zie het schema.
PS. Sommige poortopeners hebben geen 24v DC uitgang, of leveren niet genoeg vermogen om dit slot te bedienen. In dat geval het slot aansluiten met een externe voeding,
U drukt op de knop van de afstandbediening, de lamp gaat knipperen en slot ontgrendelt. dan pas gaat de poort open.
Bij Quiko mag dit slot met relais direct over de motor worden aangesloten. Op de Q220battr, instelling F4 op SI zetten.
Excl. relais en tijdrelais. omdat dit op sommige poortopeners al is ingebouwd in de electronica van uw poortopeners.




