Montage-set met beugels om de poortbeugels aan de penanten / muur te bevestigen. Art.nr 0306 (QU)
OverzichtSet bestaat uit:
1x Soudafix Chemisch anker
6 x Draadstang M10x100
6x Zelfborgende moer M10
6x m10 pe dop
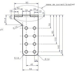
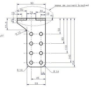
2x beugels:
MONTAGE BEUGELS TYPE 10 EXTRA LANG.Deze montagebeugels zijn overal toepasbaar, op stalen kolommen en op penanten.
Het gedeelte dat niet gebruikt wordt eraf slijpen.
prijs=per set van 2 stuks.
Ook te gebruiken voor elk ander merk.
set=ideaal voor neo, eon en rotello motoren op penanten.
Voor Knikarm motoren heeft u 2 sets nodig.
Tip: Gaten in de penanten boren met 12mm SDS boor. gaten uitblazen.
moeren op de draadstangen draaien,de gaten met kitspuit vullen met soudefix,
draadstangen in de gaten van de bevestigingsbeugel en alle draadstangen tegelijk in de gaten slaan met hamer. uur wachten tot Chem. ankers droog zijn, dan de moeren vast draaien.
Met Soudafix komen deze draadstangen NOOIT meer los.




